
低品位菱鎂礦制碳酸鎂
低品位菱鎂礦制碳酸鎂提純工藝是將低品位菱鎂礦尾礦經立式尾礦磨粉機磨細到200目左右后與硫酸反應、提純、排水而制備高純碳酸鎂的工藝方向。
一、低品位菱鎂礦制碳酸鎂發明
[3]本發明提供了一種低品位菱鎂礦及其尾礦綜合回收利用新工藝,該方法可以解決目前低品位菱鎂礦資源利用率不高,其他組分未得到充分利用,及尾礦大量堆積占用土地且污染環境的問題。
[4]本發明提供的一種低品位菱鎂礦綜合回收利用方法,包括如下步驟:
[5](I)將低品位菱鎂礦或其尾礦磨至礦樣細度不超過200目;
[6](2)將步驟(I)中部分磨細礦樣與硫酸反應,得到氣體CO2和七水硫酸鎂溶液;將步驟(I)其余礦樣加熱分解并高溫水化,并將氣體CO2通入水化液中進行碳化,碳化后的產物經熱解得到氧化鎂。
[7]優選的,所述步驟(2)中用于碳化的二氧化碳為磨細礦樣與硫酸反應得到的二氧化碳。
[8]優選的,CO2的收集采用排水集氣法。
[9]優選的,所述碳化后液體的pH值控制為7~8,碳化后液體控制在此pH范圍內時,反應效率以及各組分的利用率較通入其他量的二氧化碳碳化效果更好,并可以控制氧化鎂的回收率在70%~90%。碳化時,通入的氣體的速度應當根據反應容器以及反應液的濃度進行確定,本領域技術人員可以根據需要靈活的進行選擇,比如針對小型的容器采取I~20mL/s的速度通入,得到的碳化液中的固體為待熱解的產物,其可以經過濾洗滌,然后進行相應的熱解步驟。
[10]優選的,所述方法還包括:所述硫酸鎂溶液經凈化處理,凈化處理條件為調節pH為I~3左右通空氣,除鐵。
[11]更優選的,所述方法還包括,凈化后的七水硫酸鎂經結晶得到七水硫酸鎂晶體,結晶過程中,溫度控制在50~70°C,保證獲得產品的純度。按照本發明的方法制備的七水硫酸鎂晶體,純度在98.%以上,回收率為70~90%。
[12]優選的,所述步驟(2)中,礦樣的加熱分解溫度為7~1°C,優選7-9°C,高溫水化的溫度控制在60~90°C。
[13]優選的,所述步驟(2)中,碳化產物的熱解包括一次分解和二次熱解,所述一次分解溫度控制為60~90°C,分解的時間可以控制在2~5h,得到的固體產物為碳酸鎂,其用于二次熱解;所述二次熱解溫度為7~1°C,時間可以控制在2~4h,二次分解后的產品即為高純氧化鎂。
[14]按照本發明的方法制備的高純氧化鎂,純度為99.7%以上,回收率為70%~90%。
[15]本發明制備高純氧化鎂的過程中沒有添加任何化學藥劑,并且在碳化過程中利用了制備硫酸鎂產生的氣體CO2,實現了工藝流程的高效化。采用此種生產工藝,可以實現低品位菱鎂礦的高效利用,本發明工藝相對簡單,高效環保。
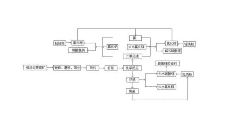
【附圖說明】
[16]、低品位菱鎂礦及其尾礦綜合回收利用的方法

【具體實施方式】
[17]實施例1:山東某地菱鎂礦主要化學成分式:Mg082.20%, Si027.62%,Ca04.23%,Fe2032.58%,Al2032.41%。礦物組成:主要為菱鎂礦,脈石礦物主要為石英等。
[18]參見圖1,低品位菱鎂礦及其尾礦綜合回收利用的方法包括:
[19](I)將礦樣經磨礦后,取-200目1%的礦樣1g,與50ml硫酸在90°C反應120min,收集CO2,獲得硫酸鎂液體,將硫酸鎂液體過濾,控制濾液溫度為50°C,獲得七水硫酸鎂,純度為98.51%,回收率為75% ;
[20](2)稱取-200目1%的礦樣1g,在回轉爐內控制溫度8°C,反應120min,取出礦樣,在80°C的水浴鍋中水化90min,將水化液在常溫常壓下碳化,調節溶液的pH,使其下降到8以下,過濾,將濾液在8C的水浴鍋中加熱120min,過濾,得濾餅,烘干,于8°C的馬弗爐內熱解2h,得到氧化鎂,純度為99.80%,回收率為79%。
[21]本例實施結果是:最終獲得的硫酸鎂品位為98.51%,回收率為75% ;獲得的氧化鎂純度為99.80%,回收率為79%。
[22]實施例2:新疆某地菱鎂礦主要化學成分式:Mg080.96%,S12L 89%,Ca07.78%,Fe2O30.53%,Al2O3L 62%。礦物組成:主要為菱鎂礦,脈石礦物主要為碳酸鈣等。
[23](I)將礦樣經磨機磨礦后,取-200目1%的礦樣1g,與70ml硫酸在80°C反應90min,收集C02,獲得硫酸鎂液體,將硫酸鎂液體過濾,控制濾液溫度為60°C,獲得七水硫酸鎂,純度為98.87%,回收率為72% ;
[24](2)稱取-200目1%的礦樣1g,在回轉爐內控制溫度750°C,反應120min,取出礦樣,在80°C的水浴鍋中水化90min,將水化液在常溫常壓下碳化,調節溶液的pH到7以下,過濾,將濾液在80°C的水浴鍋中加熱90min,過濾,得濾餅,烘干,于1°C的馬弗爐內熱解2h,得到氧化鎂,純度為99.92%,回收率為71%。
[25]本例實施結果是:最終獲得的硫酸鎂品位為98.87%,回收率為72% ;獲得的氧化鎂純度為99.92%,回收率為71%。
[26]實施例3:鞍山某地浮選菱鎂礦尾礦主要化學成分式:Mg078.69%,Si029.84%,Ca03.97%,Fe2033.36%,Al2032.92%。礦物組成:主要為菱鎂礦,脈石礦物主要為石英等。
[27](I)將尾礦礦樣經磨機磨礦后,取-200目1%的礦樣1g,與60ml硫酸在80°C反應90min,收集CO2,獲得硫酸鎂液體,將硫酸鎂液體過濾,控制濾液溫度為55°C,獲得七水硫酸鎂,純度為98.45%。回收率為78% ;
[28](2)稱取-200目1%的礦樣1g,在回轉爐內控制溫度1°C,反應90min,取出礦樣,在90°C的水浴鍋中水化90min,將水化液在常溫常壓下碳化,調節溶液的pH到7.5以下,過濾,將濾液在80°C的水浴鍋中加熱lOOmin,過濾,得濾餅,烘干,在8°C的馬弗爐內熱解3h,得到氧化鎂,純度為99.87%,回收率為74%。
[29]本例實施結果是:最終獲得的硫酸鎂品位為98.45%,回收率為78% ;獲得的氧化鎂純度為99.87%,回收率為74%。
【主權項】
1.一種低品位菱鎂礦及其尾礦綜合回收利用的方法,包括如下步驟: (1)將低品位菱鎂礦或其尾礦粉碎,得到磨細礦樣; (2)將步驟(I)中部分磨細礦樣與硫酸反應,得到CO2氣體和七水硫酸鎂溶液;將步驟(I)其余礦樣加熱分解并高溫水化,并將CO2氣體通入水化液中進行碳化,碳化后的產物經熱解得到氧化鎂。
2.根據權利要求1所述的方法,其特征在于,步驟(2)中用于碳化的CO2為磨細礦樣與硫酸反應得到的CO2。
3.根據權利要求1或2所述的方法,其特征在于,步驟(2)中碳化后液體的pH值為7-8。
4.根據權利要求1或2所述的方法,其特征在于,磨細礦樣與硫酸反應生成的CO2的收集采用排水集氣法。
5.根據權利要求1所述的方法,其特征在于,所述方法還包括:所述硫酸鎂溶液經凈化處理,凈化處理條件為調節pH為I~3通空氣,除鐵,得到凈化后的七水硫酸鎂溶液。
6.根據權利要求5所述的方法,其特征在于,凈化后的七水硫酸鎂溶液經結晶得到七水硫酸鎂晶體,結晶過程中,溫度控制在50~70°C。
7.根據權利要求1所述的方法,其特征在于,所述步驟(2)中,磨細礦樣的加熱分解溫度為7~1°C,高溫水化的溫度控制在60~90°C。
8.根據權利要求1所述的方法,其特征在于,所述步驟(2)中,碳化產物的熱解包括一次分解和二次熱解,所述一次分解溫度為60~90°C,所述二次熱解溫度為7~1°C。
【發明摘要】本發明公開了一種低品位菱鎂礦綜合回收利用的方法,包括如下步驟:(1)將低品位菱鎂礦或其尾礦粉碎,得到磨細礦樣;(2)將步驟(1)中部分磨細礦樣與硫酸反應,得到CO2氣體和七水硫酸鎂溶液;將步驟(1)其余礦樣加熱分解并高溫水化,并將CO2氣體通入水化液中進行碳化,碳化后的產物經熱解得到氧化鎂。本發明制備高純氧化鎂的過程中沒有添加任何化學藥劑,并且在碳化過程中利用了制備硫酸鎂產生的氣體CO2,實現了工藝流程的高效化。采用此種生產工藝,可以實現低品位菱鎂礦的高效利用,本發明工藝相對簡單,高效環保。
【IPC分類】C01F5-06, C01F5-40
【公開號】CN104843748
【申請號】CN2014151735
【發明人】李浩然, 滕青
【申請人】中國科學院過程工程研究所
【公開日】2015年8月19日
【申請日】2014年2月14日

低品位菱鎂礦制碳酸鎂提純工藝磨礦設備:HLM立式尾礦磨粉機
二、低品位菱鎂礦制碳酸鎂提純工藝磨礦設備:HLM立式尾礦磨粉機
低品位菱鎂礦制碳酸鎂提純磨礦設備HLM立式尾礦磨粉機對煅燒后的低品位菱鎂礦進行磨細,得到200目D95通過率的粉體,并進行活化。HLM立式尾礦磨粉機磨細技術采用料層原料,對低品位菱鎂礦進行充分研磨,在研磨過程中擴大粉體比表面積,利于活化,并且因HLM立式尾礦磨粉機的磨輥采用高錳鉻合金鍛造,適合研磨硬度高成分復雜的礦渣尾礦,制粉高效,環保方面配置為電脈沖高效除塵器,所以是一款理想的低品位菱鎂礦綜合利用得力型機械設備。
如果您有低品位菱鎂礦提純制碳酸鎂計劃,想借助機械將固廢轉化為鈔票,對低品位菱鎂礦綜合利用設備HLM立式尾礦磨粉機選型存在疑問,歡迎請打我們桂林鴻程市場部電話07733661663,讓我們的設備為您選擇一款適合您的設備,為您創造源源不斷的價值,變礦為“票”。